一、用 途
XD-W臥式煤氣排水器設在煤氣清洗設施的快速水封切斷閥下方
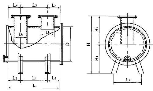
二、結構形式
1、本設備由一根水平管和兩根垂直短管組成一個“U”形水封,水平管兩端用鋼板堵死,在水平管底部有個支座,可與鋼支架安裝。
2、本設備利用水封高度克服煤氣壓力,從而封住煤氣,起割斷煤氣排出冷凝水作用。
三、產品技術參數
設計壓力PN0.1MPa法蘭標準HG20593-97
型 號 | L | L1 | L2 | L3 | L4 | L5 | H | H1 | H2 | D | D1 | 備注 |
XD-W-30-60 | 600 | 400 | 100 | 350 | 125 | 300 | 630 | 330 | 300 | 315 | 108 |
雙 管 式
|
XD-W-35-65 | 650 | 400 | 125 | 300 | 175 | 320 | 630 | 330 | 300 | 362 | 133 | |
XD-W-40-80 | 800 | 530 | 135 | 400 | 200 | 300 | 700 | 350 | 350 | 414 | 159 | |
XD-W-40-80II | 830 | 530 | 150 | 300 | 110 | 300 | 700 | 350 | 350 | 414 | 133 | |
XD-W-60-90 | 900 | 500 | 200 | 450 | 225 | 700 | 950 | 500 | 450 | 618 | 219 | |
XD-W-60-100 | 1000 | 600 | 200 | 500 | 250 | 700 | 1000 | 500 | 500 | 618 | 325 | |
XD-W-60-110 | 1150 | 730 | 210 | 550 | 300 | 700 | 1000 | 500 | 500 | 618 | 325 | |
XD-W-70-105 | 1000 | 600 | 200 | 500 | 250 | 500 | 1050 | 520 | 530 | 720 | 273 |
五、注意事項
1、檢查進出口各閥開閉是否自如。
2、把水封器出口管端的塞子打開灌水直至溢流為止(在灌水前務必把水封器上面的閥門打開)。





















